В наше время выбор различных вариантов осветительных приборов огромен. Нет смысла говорить о лампах накаливания – они медленно, но верно уходят в прошлое, уступая место на рынке более технологичным и экономичным «потомкам». Энергосберегающие лампы как раз и являются такими. Разница между «лампочкой Ильича» и ЭСЛ примерно такая же, как между свечением восковой свечки и свечением в газовых лампах.
Их также называют компактными люминесцентными лампами. Они настолько прочно вошли в нашу жизнь, что сейчас уже невозможно представить квартиру, в которой бы не использовались подобные светильники. Ведь даже несмотря на более высокую стоимость, по сравнению с лампами накаливания, экономия электроэнергии при использовании подобных ламп порой составляет 85–90 процентов. Да и само название лампы говорит о том, что ее задача – сберегать энергию.
Однако порой и они преподносят неприятные сюрпризы. Хотя некоторые считают, что ЭСЛ чуть ли не вечная, через непродолжительное время энергосберегающие лампы выходят из строя. Иногда причиной становится отсутствие подачи питания на электронный балласт, иногда – сгоревшая спираль. Но они вполне подлежат ремонту, и в этом еще одно преимущество подобных осветительных приборов.
Возникает вопрос – как отремонтировать энергосберегающую лампу своими руками? Необходимо разобраться, при любой ли неисправности возможно ее восстановление, и по какой схеме это правильно сделать, не испортив лампу окончательно.
Стоит ли ремонтировать?


Ответить на вопрос, стоит или нет ремонтировать энергосберегающие лампы, каждый должен для себя сам. И дело здесь не в трудоемкости работы (схема энергосберегающей лампы несложна), а главным образом в наличии запасных частей, которые могут пригодиться.
Исправлять неполадки своими руками имеет смысл при условии, что скопилось несколько сгоревших ламп. В среднем из 10 вышедших из строя элементов можно собрать 2–3 рабочих. Ну а при наличии двух ламп начинать подобную работу нецелесообразно. Можно спросить у друзей, знакомых и родственников, нет ли у них сгоревших ЭСЛ и уже тогда, собрав необходимое количество, приниматься за ремонт.
К тому же нужно понимать, что если элемент отработал год-полтора, такую лампу смысла ремонтировать не будет. Уже не та цветопередача, да и часть энергии уже начинает трансформироваться в тепло. Целесообразен ремонт лишь тех ламп, которые вышли из строя в первые месяцы их службы.
С чего начать ремонт?
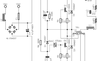
С чего начать ремонт энергосберегающей лампы? Для начала необходимо разобраться в устройстве подобного типа ламп (электрическая схема КЛЛ показана выше). Энергосберегающая лампа, равно как и любая другая из разряда люминесцентных газоразрядных приборов, в своей основе имеет 3 части:
- колба (непосредственно сам светящийся элемент);
- плата (или электронный балласт);
- цоколь.


Поверхность колбы должна быть без сколов и трещин, в противном случае без ее замены не обойтись. Чаще всего, конечно, в отсутствии питания виновата поломка электронного балласта, но не стоит исключать и отгорание нити накаливания. Первое, что нужно – определить, чем вызвана неисправность, а уже после браться за ее устранение.
Необходимо понять, как разобрать КЛЛ. Сделать это можно ножом (как показано на рисунке), либо при помощи широкой плоской отвертки. Производить это действие нужно аккуратно, чтобы не повредить корпус лампочки. Конечно, если в процессе этой работы какая-то часть отломится, на последнем этапе ремонта, при сборке, ее можно будет приклеить либо припаять. Но это уже больше вопрос эстетики.
Внимательность нужна и после разделения. Провода, идущие от цоколя, очень короткие, а потому разбирать нужно как можно аккуратнее, иначе они могут оборваться. От колбы будет отходить две пары проводков – их необходимо отсоединить, после чего можно будет проверить нить накаливания на предмет разрыва мультиметром.
Так как внутри колбы находятся две нити накаливания, проверить нужно обе. Их прозванивают, определяя на разрыв, и если обе целы, то проблема поломки – в электронном балласте. Если же хотя бы одна из них сгорела, то балласт в норме и под замену идет колба.
Но все же есть небольшая хитрость в том, как починить лампу со сгоревшей спиралью. При условии, что в колбе со сгоревшей спиралью одна из нитей оказалась рабочей, нужно замерить ее сопротивление, подобрать резистор с теми же параметрами и впаять его параллельно сгоревшей нити, после чего вновь подать питание. Яркость лампы, естественно, будет уже не той, но все же ЭСЛ еще послужит.
Неисправность электронного балласта
Для начала требуется визуально осмотреть балласт на предмет трещин, сколов и т. п. Так возможно увидеть прогоревшие детали схемы, явно бросающиеся в глаза. Ну а при отсутствии таковых – снова в помощь мультиметр. Нужно прозвонить все главные элементы электронного балласта.


Основные элементы, которые необходимо проверить тестером, следующие:
- Терморезистор (РТС) – защитное устройство с положительным температурным коэффициентом сопротивления, обеспечивающее «легкий старт» ламп без мигания в течении 2–3 секунд с прогревом спиралей электродов. Наличие РТС-компонента делает физически реализуемым достижение срока службы в 10 000 часов и более, делает его практически независимым от количества циклов включения-выключения лампы.
- Пусковой конденсатор – высоковольтный элемент, участвующий в процессе «поджига» лампы. Чем выше его номинальное напряжение, тем выше предел отказоустойчивости.
- Емкостной фильтр – сглаживает пульсации выпрямленного напряжения постоянного тока и обеспечивает работу без мерцания. В зависимости от модели имеет различный номинальный срок службы. Если он подобран неправильно, то быстро высыхает, теряет свои характеристики – лампа быстро выходит из строя.
- Токоограничительный дроссель – устройство, стабилизирующее и ограничивающее ток лампы.
- Переключающие биполярные транзисторы – являются ключевыми элементами электронного пускорегулирующего аппарата (ЭПРА), т. е. электронного балласта. В случае, если транзисторы подобраны неоптимально, они подвержены скорому пробою из-за перегрева, что влечет за собой выход из строя всей лампы.
- Плавкий резистор – защитное устройство, обеспечивающее экстренное отключение лампы от питающей сети и предотвращение воспламенения в случае перегрузок и короткого замыкания.
Также необходимо проверить и исправность диодного моста. Для этого нет надобности выпаивать его из ЭПРА, каждый диод можно прозвонить по отдельности на месте.
Производство ремонта


При обнаружении неисправности в одной или нескольких деталях, требуется выпаять неисправные, заменив их другими. Вот тут нам и помогут дополнительные неисправные энергосберегающие лампы. С каждой из них необходимо произвести те же действия, что и с ремонтируемой ЭСЛ, т. е. провести полную ревизию, чтобы понять, есть ли в наличии необходимые исправные детали.
Конечно, наилучшим будет вариант, при котором у одной из ламп сгорела нить накаливания, а у другой – электронный пускорегулирующий аппарат, проще балласт. При таком везении нет необходимости перепаивать отдельные детали, достаточно просто заменить неисправный ЭПРА на рабочий. Если же такой возможности нет, то придется поработать паяльником. Конечно, обычным жалом выполнить такую работу не получится. Этот вопрос решается наматыванием на жало медной проволоки. Оптимальное сечение меди – 4 мм. Таким паяльником уже можно выполнять мелкие работы.
В отличие от диодного моста транзисторы проверить на месте не получится. Как прозвонить? Да очень просто. Для начала их необходимо удалить с платы и только после этого прозвонить. В случае неисправности нужно выбрать подходящие по параметрам, причем сам тип транзистора в данном случае не имеет принципиального значения.
Конденсатор, если он сгорел, обычно видно невооруженным глазом. Он вздувается, либо на нем виден пробой. Так же как и с любой другой деталью, его нужно удалить, а на его место поставить подобный. В дешевых лампах, в основном производства Китая, выход из строя конденсатора является основной причиной неисправности энергосберегающей лампы.


Сборка отремонтированной лампы
Прежде чем приступить к сборке корпуса энергосберегающей лампы после ремонта, необходимо предварительно проверить ее. Чтобы не получилось так, что уже сделанная ЭСЛ не работает. Присоединив все провода, нужно вкрутить ее в патрон (делать это нужно до подачи питания). Если лампа загорелась и не мерцает – возможно продолжить сборку.
Имеет смысл прикинуть, войдет ли электронный пускорегулирующий аппарат на свое место в корпусе. При необходимости нужно подогнуть конденсаторы сопротивления, обращая внимание на то, чтобы нигде не было замыкания. После этого остается только восстановить целостность корпуса и подклеить надломленные (после неаккуратной разборки) куски.
По своей сути ремонт ЭСЛ своими руками – очень дешевое занятие, к тому же схему вполне реально просто запомнить. Детали для ЭПРА стоят 10–40 рублей, а потому есть смысл купить сразу несколько комплектов, чтобы при необходимости можно было быстро решить проблему.
Предотвращение поломок
Наиболее частыми причинами выхода из строя энергосберегающих ламп являются:
- Короткое замыкание. Эта напасть может произойти как по вине производителя (заводской брак), так и по причине недостаточного оттока тепла. При перегреве лампы или схемы балласта возможно нарушение изоляции, вследствие чего и произойдёт КЗ. Предотвратить подобное можно путем улучшения вентиляции и увеличения теплооттока.
- Пробой элементов электронного пускорегулирующего аппарата. Наиболее частая причина – недобросовестный производитель, который гонится за дешевизной, а также резкие перепады напряжения в сети. Если таковые часто имеют место, можно установить на вводе в квартиру стабилизатор, благо сейчас их ассортимент в магазинах электротехники огромен.
- Сгорание нити накаливания. Тут уж никаких советов по предотвращению быть не может, а потому, если это произошло, нужно либо менять лампу, либо ремонтировать.
Подводя итог написанному выше, можно сделать вывод, что ремонт энергосберегающей лампы в домашних условиях – не столь уж и трудное занятие. И, несомненно, починить вышедшую из строя ЭСЛ в разы дешевле, нежели покупать новую (не факт, что она окажется лучше предыдущей). А значит, всегда есть на чем сэкономить.