

Современная электроника часто комплектуется внешними источниками питания на 5В, 12В, 19В. После того как прибор выходит из строя, они часто валяются в кладовке или тумбочке.
- 5V — это напряжение зарядных устройств для телефонов и USB;
- 12V — используется в компьютерах, некоторых планшетах, ТВ, сетевых маршрутизаторах.
- 19V — в ноутбуках, мониторах, моноблоках.
Мы будем рассматривать, каким образом можно адаптировать любой блок питания для светодиодной ленты на 12В. Будут только простые и бюджетные варианты доступные каждому. Зарядники на 5В не подходят. Но из таких зарядников я делаю ночники, на корпус приклеивается от 3 или 6 диодов. Ночью светит не ярко, в самый раз.
Источники питания на 12V


Источники питания на 12В от электроники обычно бывают от 6 до 36 Ватт. 10 Ватт хватает для подсветки рабочей поверхности светодиодной лентой на кухне. Такие блоки делятся на 2 основных вида:
- старые на трансформаторах, отличаются большим весом;
- современные импульсные, еще называют электронный трансформатор, отличаются малым весом и большой мощностью при малых габаритах.
Использовать на трансформаторах не рекомендую. При установке светодиодной ленты я сперва подключил трансформаторный БП от роутера, мощность которого была в 2 раза больше мощности ленты. Сам выпрямитель стал сильно греться. Поставил диодный мост выпрямителя на самодельный радиатор для охлаждения, все равно греется сильно, долго он так не протянет. Времени не было разбираться в тонкостях, поэтому спросил у специалиста. Он кое-как нашел причину, светодиоды имеют особенную вольт-амперную характеристику (сокращенно ВАХ), что приводит к сильному нагреву. Он подарил мне от телевизора на 12В и 2 Ампера, то есть мощность равна 24W. Теперь все работает без проблем и не греется.
БП на 19V


Напряжение в 19В широко используется в настольной компьютерной технике, чаще всего в ноутбуках, моноблоках, мониторах, сканерах. В эту категорию можно отнести БП от принтеров, они мощные, бывает 16В, 20В, 24В, 32В.
У меня давно валяется отличный блок питания для светодиодов на 90W и 19V от ноутбука Asus. Такой мощности хватит, чтобы запитать светодиодную ленту на 6000 Люмен, а этого хватит, чтобы сделать диодное освещение комнаты 20 квадратов. Но БП не 12 вольт, и потребуется доработка. Внутрь корпуса мы не полезем, перепаивать схему под 12 вольт сложно, долго и надо быть электронщиком. Сделаем проще, подключим небольшой понижатель со стабилизатором. Существует два типа.
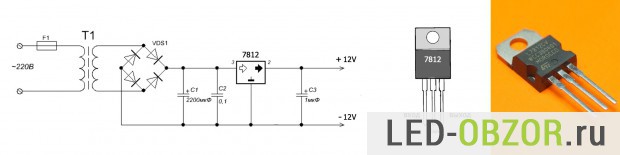
Тип №1


Стабилизатор на микросхеме типа КРЕН 7812 (lm317), выглядит почти как транзистор, при установке на радиатор охлаждения выдерживает ток 1 Ампер. Этот вариант устаревший и громоздкий. Для использования всей мощности ноутбучного БП потребуется 5-6 таких (или 1 большая) и большой алюминиевый радиатор для охлаждения.
Тип №2


Современный импульсный стабилизатор, миниатюрен, не греется, простой как 3 рубля. В русских магазинах за него просят 600-900 р, цена сильно завышенная. У китайцев на 3 ампера стоит 50 р., 5-7А продается за 100-150 р., поэтому рекомендую заказать пару штук на Aliexpress.
Рекомендую использовать импульсный, КПД у него выше 80-90%, проще и дешевле. Только не покупайте источник тока на LM2596, вам нужен источник напряжения. Чтобы найти в китайском интерне-магазине используйте запросы:
- LM2596 power supply;
- 12v switching regulator;
- voltage regulator 12v 7a;
Характеристики импульсных стабилизаторов
Специалист на видео инструкции расскажет основные технические характеристики современных импульсных стабилизаторов, схемотехнику и рекомендации по их правильному использованию. Чтобы вы своими руками не спалили его во время экспериментов.
Простые схемы своими руками


Если вышеописанные БП вам не подходят, то блок питания для светодиодной ленты 12в можно спаять по схеме своими руками. Для самодельного потребуется много времени и немало деталей, не буду рассматривать полные схемы для подключения к сети 220B. при современном развитии электроники их проще купить у китайцев. Есть схемы для сборки своими руками еще на TL594 и других новых элементах. Но мне больше нравится описанный ниже, легко повторяется за 10 минут.
Рассмотрим оптимальный и современный на LM2596. Потребуется установить всего 4 радиоэлемента. Аналоги, схожие по функционалу, это ST1S10, L5973D, ST1S14.
Существует несколько модификаций микросхемы:
- фиксированное 12 V, LM2596-12, указано в конце маркировки;
- регулируемый вариант LM2596ADJ;
- цена в России одной 170 р.. В Китае весь собранный блок на LM2596 стоит 35р. включая доставку.
Характеристики
| Параметр | Значение |
| Входное напряжение, не более | 40В |
| Вольт на выходе | 3-37В |
| Выходной ток | 3А |
| Срабатывание защиты по току | 3А |
| Частота преобразования | 150 кГц |
Видео, как доработать своими руками
Коллега подобно расскажет, как подключить и настроить стабилизатор к блоку питания от ноутбука на 19V.
Готовые модули из Китая


В первой схеме будем использовать LM2596ADJ с регулируемым вольтажом на выходе. Выпускаться она может в разных корпусах, но самый оптимальный как на картинке. Плюсом такой конструкции будет возможность регулировать яркость led ленты без диммера.


Стабилизатор на микросхеме LM2596-12, отсутствует переменный резистор для регулировки, на выходе ровно 12B. Схема проще на одну детальку.
Питание и драйвер в одном модуле


Универсальный вариант, регулируется сила тока и напряжение. Можно запитать не только диодную ленту, но и светодиоды. то есть может выступать в качестве драйвера и электронного трансформатора.
На видео ролике вам покажут как пользоваться и настраивать самостоятельно универсальный вариант модуля с драйвером, регулируемой силой тока.
Где купить дешево?


Бывает, что у вас дома не оказалось БП подходящего от бытовых приборов, но точно есть у других, тоже валяется без дела. Сперва спросите у знакомых или соседей, наверняка что то есть. За пару сотен или жидкую валюту вы можете сними договорится.
Большой ассортимент вы найдете на Авито и на местных форумах. Многие избавляются от ненужного хлама и продают БП за символическую цену, потому что выбрасывать жалко, а реальную стоимость не знают. Таким образом, я часто покупаю хорошие приборы, тем более торг никто не отменял. Недавно мне удалось купить фирменный ACER от моноблока на 190W за 400 р. Он герметичен и высокого качества, так как компьютерная электроника требует очень стабильного и качественного питания в отличие от диодной ленты.