Датчики движения в повседневной жизни активно применяются в системах охраны и сигнализации, для экономного режима расхода электроэнергии в системах освещения и других нужд. При нарушении режима их работы не спешите вызывать специалиста или отправлять прибор в сервисный центр для ремонта. В большинстве случаев сбой в работе происходит из-за изменений окружающей обстановки или в цепях электропитания, последствия этого легко устраняются самостоятельно. Редко когда ломаются отдельные элементы на платах, микросхемы, транзисторы, реле и другие детали, которые требуют вмешательства профессиональных специалистов. Но для правильного устранения неполадок и настройки надо понимать общий принцип работы этих приборов.
Принцип работы датчиков движения
Существует много разновидностей датчиков движения:
- инфракрасные;
- микроволновые;
- ультразвуковые;
- комбинированные.
Всех их объединяет общий принцип работы, при появлении изменений в секторе обзора электрический сигнал усиливается, подается на реле, которое замыкает контакты для включения, сигнализации, освещения или других устройств, например, фонтана или музыки. Рассмотрим подробнее работу инфракрасных датчиков, так как они наиболее востребованы потребителями в силу цены и качества.
Конструкция инфракрасного датчика
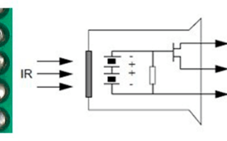
Одним из основных его элементов является пироэлектрический детектор, который состоит из пары прямоугольных кристаллов, реагирующих на инфракрасное излучение в пределах определенного расстояния. При равномерном фоне пространства в кристаллах наводятся токи одинаковой величины. Когда в секторе одного из кристаллов появляется источник тепла, возникает разница величины токов. Этот импульс усиливается, преобразуется в цифровой сигнал и посылается на исполнительные устройства, реле с группой замыкающих контактов.


Для более эффективной работы перед пиродатчиком на расстоянии 1,5–2,5 см устанавливается линза Френеля, которая фокусирует инфракрасное излучение на кристаллах. Точнее, это оптическая система из группы линз 20–60 шт., молочного или серого цвета, из пластика. Система имеет сферическую форму, за счет этого расширяет пространство сектора обзора датчика.


Датчик, который расположен на рисунке слева, рекомендуется вешать на потолок в центре большого помещения с несколькими входами. Обзор такого прибора 360 ̊, три пироэлемента с сектором по 120˚ каждый̊.


Второй датчик имеет сектор обзора по горизонтали не более 180 ̊, обычно его располагают в направлении двери или наружной калитки, фиксируя на стены зданий, он имеет возможность менять направление вертикального сектора обзора.
Основные признаки неисправности датчиков, возможные причины
Признаков может быть три:
- несанкционированное включение, в любое время без всяких причин;
- не отключает лампу освещения;
- не включает лампу освещения или другие оконечные устройства, не срабатывает на явные признаки движения в секторе своего обзора.
Последовательность выявления неисправностей и устранение их
В любом случае начинать нужно с осмотра внешнего вида, нет ли явных механических повреждений оптической системы линзы Френеля, или простого слоя пыли и грязи. При необходимости протрите линзу и проверьте работоспособность датчика. Это самая частая и простая причина неисправности. Если положительного результата нет, придется проделать более сложные операции:
- Снимите корпус и проверьте правильность подключения.


- Мультиметром или другими приборами проверьте наличие приходящего питания на вход печатной платы.
- Если питание есть, смоделируйте условия, при которых датчик должен сработать. Установите средний уровень освещения, при котором датчик срабатывает в темное и светлое время суток, максимальный уровень чувствительности и минимальный интервал работы.
- Если в этом положении датчик начинает срабатывать, постепенно с уровня чувствительности, потом освещения и временного промежутка работы установите нужные параметры. Периодически проверяя срабатывание на источник движения.
- После этих операций при отрицательном результате отключаем питание электрической цепи, снимаем все декоративные элементы и внимательно осматриваем печатную плату.
- Выявляются участки горелых элементов, целостность проводов и перемычек, надежность пайки радиодеталей. Рекомендуется это делать с бинокулярными очками или лупой. При обнаружении некачественной пайки припаяйте контакты отпавших элементов. Проверьте после этого работоспособность датчика.
- При обнаружении выгоревших элементов замените их, предварительно проверив параметры соседних, задействованных по цепочке схемы.


- Если при имитации условий движения реле срабатывает, при этом слышен характерный щелчок, а лампа не загорается, значит, неисправна цепь между контактами реле и лампой, прозвоните ее. Возможно, окислились контакты реле, замените его или почистите контакты. Неисправность лампы я не рассматриваю, это надо проверить в первую очередь.
- Измерьте постоянное напряжение после преобразователя, в зависимости от модели датчика оно может быть от 8–24 В (смотрите схему и другую документацию). Измерения проводятся относительно ноля, на платах удобно взять «-» диодного мостика.
- При отсутствии необходимого напряжения прозванивайте элементы в цепи преобразователя, чаще всего это бывают диоды выпрямительного моста.
Бывает так, что замыкание в последующей после моста или стабилизатора цепи гасит поступающее напряжение. Чтобы в этом убедиться, отключите всю цепь после стабилизатора. При наличии напряжения ищите замыкание, неисправный элемент после стабилизатора. Так можно прозвонить всю цепь до реле и лампы, при выявлении неисправных элементов меняйте их и проверяйте работоспособность. Если следовать этой методике, обязательно обнаружится причина неисправности, этот способ хорош, когда человек имеет навыки работы с электронной техникой, измерительными приборами, умеет паять. Когда таких навыков нет, нужно ограничиться первыми пунктами: протирка, настройка, проверка питания. При неисправности элементов на плате обратитесь к специалисту.