Многие владельцы частных домов и квартир предпочитают всячески управлять освещением в своем помещении. Одним из многих вариантов является регулятор яркости для ламп накаливания. Для таких целей используют специальные устройства, называемые диммерами. Существует множество моделей данного девайса, но стоимость многих из них не по карману обычному покупателю. При необходимости возможно собрать диммер для ламп накаливания своими руками, имеется несколько вариантов его изготовления. Эти устройства могут быть 12- и 220-вольтовые.
Устройство
Чтобы сделать диммер своими руками, потребуется подробно изучить принцип его действия и внутреннее устройство. Простейшие из этих девайсов имеют ручку, поворачивая которую можно регулировать освещение, и выведенные клеммы для подключения проводов. Таким устройством управляют яркостью ламп двух видов — галогенных и накаливания. С развитием электроники стали появляться диммеры для регулирования мощности люминесцентных и светодиодных ламп.


В более ранние времена для изменения этого параметра у ламп накаливания применяли резисторы. Мощность таких деталей рассчитывалась не меньше нагрузочной. Минусом таких приспособлений являлась потеря мощности при снижении яркости света.
Наиболее часто их применяли в больших общественных залах, театрах и т. д. Принцип работы прибора основан на использовании симистора и динистора, являющихся современными полупроводниковыми приборами.
По конструкционным особенностям диммеры можно классифицировать по следующим типам:
- поворотные, где управление выполняется при использовании ручки – электронные;
- кнопочные управляются при помощи специальных кнопок – групповые;
- дистанционные, которые работают при помощи дистанционного пульта.
Кнопочный диммер более многофункционален, чем поворотный. Это связано с тем, что если в цепь завязать нужное количество кнопок, управление можно осуществлять с разных мест. Длина проводов, используемых для подключения диммера, не должна превышать 10 метров. Это связано с возникновением помех.


Мало кто знает, что при помощи самодельных регуляторов мощности можно изменять температуру паяльника, контролировать обороты вытяжного вентилятора. Также он отлично подойдет для пылесоса или дрели, у которых можно регулировать их скорость вращения.
Подключение диммера
Схема диммера для ламп накаливания довольна простая. Он подключается вместо обычного выключателя в разрыв цепи в монтажную коробку. Необходимо соблюдать предписания изготовителя, согласно которым нельзя путать выводы для подключения фазы и нагрузки. Для сборки диммера своими руками не понадобится много дорогих деталей, подойдут симисторы, рассчитанные на определенную мощность. Существует два варианта подключения — одинарный и групповой. Первый вариант подразумевает подключение в цепь с одним или несколькими источниками света, которые объединены в группу. При групповом способе принципиальная схема будет насчитывать несколько диммеров, согласно количеству групп освещения.


При подключении светорегулятора вместо двухклавишного выключателя работа светильника немного изменится. Теперь будет другим подсоединение проводов и лампы накаливания, их не получится включать групповым способом. Фазу необходимо подсоединить на фазный вывод диммера, а остальные два присоединяются на соседнюю клемму. Для осуществления прежнего освещения потребуется групповой светорегулятор.
Изготовление
Как указывалось ранее, существует множество схем, с помощью которых умельцы изготавливают устройства, способные регулировать значение напряжения для осветительных приборов. Можно выделить несколько наиболее популярных элементов, используемых для сборки данных устройств:
- симистор;
- тиристор;
- конденсатор;
- применение готовых микросхем.
Принцип работы диммера на симисторе
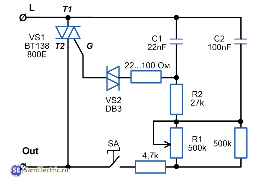
Данный светорегулятор работает от сети 220 В. В основу его действия заложено открытие силового ключа за счет смещения фазы. Главным элементом схемы является RC-цепочка, которая у каждого устройства разного номинала. Силовым ключом выступает симистор. Работа схемы заключается в пропускании симистором через себя тока. Для этого необходимо возникновение напряжения между его электродами. Чтобы регулировать смещение фазы, и тем самым угол открывания, в цепочку впаивается переменный реостат, который предназначен для регулировки быстроты заряда конденсатора. В цепь с управляющим электродом ставится динистор. Время, за которое конденсатор наберет пороговое напряжение, влияет на быстроту открытия симистора, а значение нагрузок будет прямо пропорционально зависеть от величины этого напряжения.


При наличии принципиальной схемы такой диммер на симисторе можно собрать менее чем за час.
Как работает диммер на тиристоре?
Данный светорегулятор могут собрать умельцы, у которых есть различные радиодетали, из которых можно выбрать тиристоры с необходимыми параметрами. Этот самодельный диммер будет немного отличаться схемой и является более трудным в сборке. В нем для каждого ключа устанавливается отдельный динистор и тиристоры для полуволн.
Для работы данной схемы применяются две параллельные цепочки резисторов. Через одну цепь резисторов проходит заряд конденсатора, где в свою очередь происходит нарастание порога открывания ключа, при открытии которого на электрод управления подается ток и проходит положительная полуволна. Отрицательная фаза пропускает волну таким же образом через другой ключ.


Важно знать, что использовать диммер на тиристоре не получится для приборов освещения, в которых устанавливаются светодиодные, люминесцентные и экономные лампы.
Конденсаторный диммер и принцип его действия
Помимо регуляторов, рассчитанных на плавность управления освещением, также распространены устройства, работающие за счет конденсатора. В этом случае на передачу тока влияет емкостная величина. Соответственно, с увеличением емкости конденсатора через его полюсы пройдет ток большего значения. Данный диммер-регулятор является достаточно компактным.
В основном схемы для таких устройств сочетают в себе три различных положения:
- Без ограничения мощности.
- Через конденсатор гашения.
- Перекрытое положение (режим «выключено»).
В схеме такого диммера обычно используют неполярные конденсаторы. Найти их можно в электротехнике старого образца. Используя схему, можно своими руками собрать светорегулятор и управлять значением напряжения на лампочке в светильнике.
Использование микросхем для пониженного напряжения
В цепях с постоянным напряжением, рассчитанным на 12 вольт, регулировка мощности часто выполняется при помощи интегральных стабилизаторов, называемых КРЕНами. Использование таких устройств позволяет регулировать электрические двигатели малой мощности и светодиодное освещение. Чтобы обеспечить удобство монтажа деталей, используют микросхему. Готовый диммер будет не только выполнять функции регулировки, но и обеспечивать защиту электрооборудования.


Использование микросхемы КРЕН обеспечивает управление значением напряжения от 1,5 В до 30 В, а тока до 7,5 А. Во время сборки устройства нужно обратить внимание на следующие нюансы:
- Для охлаждения микросхемы необходим радиатор, что обусловлено ее нагреванием при выделении тепла. Это является существенным недостатком, так как занимается лишнее место на плате.
- Установленные диоды должны быть рассчитаны на ток не более 12 А и напряжение от 50 В.
- Силовой трансформатор устанавливается мощностью не менее 0,25 кВт.
Принцип действия схемы прост. На электроде управления за счет переменного резистора образовывается основное напряжение. С помощью стабилизатора можно регулировать этот параметр от максимальных 12 вольт до десятых его долей.
Вариант с цифровой микросхемой
Для выполнения регулировки осветительных приборов со светодиодными лампами обычные светорегуляторы не подходят, потому что для их включения необходимо 9 В. Такой диммер можно собрать, используя микросхему NE555. При возникновении потребности в плавной регулировке освещения в данную схему можно подключить и лампы на 12 В. Мощность здесь усиливает полевой транзистор. Это связано с тем, что у микросхемы выходной ток составляет 0,2 А.


При увеличении нагрузки свыше 1 А потребуется установка транзистора на радиатор, который можно выполнить из любого подходящего материала. Для защиты этой детали от статических помех потребуется перемотать выходящие ножки фольгой из алюминия или медной проволокой.
Монтаж диммера можно произвести на текстолите с оболочкой из фольги. Такой материал применяется для изготовления печатных плат. Материал корпуса выбирается на усмотрение исполнителя работы.
Большинство современных диммеров – китайского производства. Не все светорегуляторы добротного качества. Иногда лучше изготовить диммер своими руками, чем переплатить деньги за быстро вышедшее из строя устройство.