

С развитием светодиодных технологий ксеноновый головной свет постепенно уступает место светодиодам Bi Led. Это позволяет улучшить ближний и дальний свет в 2 раза по сравнению с ксеноном. При этом срок службы будет выше до 10 раз при равной стоимости. Компания ProBright предоставила для тестирования линзы Diliht Triled (Дилихт Трилед) — первые российские матричные светодиодные линзы ближнего и дальнего света с подсветкой поворота. Официальный сайт https://diliht.ru
Характеристики


Основные параметры билинз определяются установленным светодиодами и фокусирующей линзой. Производитель использует современные Samsung с высокой эффективностью люмен на ватт.
В данных светодиодных линзах используется новая конструкция, реализован принцип прямого свечения без использования отражателя. Это повышает световой КПД% и расширяет возможный функционал.
| Параметр | Заявлено | Измерено | Штатный ксенон |
| Ближний свет | 3510лм / 35W | 3340 / 35W | 2800лм / 35W |
| Дальний свет | 3350лм / 39W | 3570 / 42W | 2800лм / 35W |
| Подсветка поворота | 4870лм/48W | 4640 / 52W | — |
| Цветовая температура | 4700К – 5100К | 5000К | 4300К, 5000К |
| Напряжение питания | 12в | 12в | 12в |
| Срок службы | 10.000ч. | — | 2.000 — 3.000ч. |
| Гарантия | 1,5 года | — | — |












Особенности модели


Главной особенностью светодиодных линз является наличие подсветки дорожного покрытия при повороте. При повороте включаются дополнительные светодиоды, обеспечивая качественное освещение места, куда вы поворачиваете.
Список преимуществ:
- универсальные крепления;
- защита от перегрева светодиодов;
- подсветка поворота;
- матричная технология, отсутствие выгорающих отражателей;
- количество света больше чем у автомобилей премиум класса;
- цветовая температура 5000К комфортная в любую погоду;
- отечественная разработка и производство.


Примеры установки и работы
Срок службы


У светодиодов срок службы главным образом зависит от температуры нагрева кристалла. При качественном охлаждении фирменные светодиоды прослужат более 100.000 часов. Производитель гарантирует работу в течение 10.000 часов, но в реальности будет гораздо больше. Фирменные ксеноновые лампы Osram и Philips светят 2.000 — 3.000ч. Срок эксплуатации зависит от средней температуры в вашем регионе. Чем она ниже, тем дольше будет светить светодиодная линза.
После прогрева в течение 1 часа замеряем тепловизором нагрев. Современные светодиоды выдерживают нагрев до 150 градусов, сохраняя при этом заявленные характеристики. Максимальное энергопотребление светодиодной линзы получилось 52 Ватта, при включении секции подсветки поворота.


В случае нештатной ситуации несколько уровней защиты светодиодов от перегрева понизят мощность до безопасной, но линза всё равно будет работать. За счёт этого вы сможете продолжить движение до станции технического обслуживания.
Световой поток и мощность


Предварительно прогреваем образцы в течение 30 минут до рабочей температуры. Световой поток замеряем в фотометрической сфере. Светодиодная линза Diliht Triled имеет 3 режима работы, самый мощный «Подсветка поворота», когда включается дополнительная секция.
| Параметр | Светопоток заявлено |
Светопоток измеряно |
Мощность, измеряно |
| Ближний | 3510лм | 3340лм | 35W |
| Дальний | 3350лм | 3570лм | 42W |
| Подсветка поворота | 4870лм | 4640лм | 52W |
Измеренное количество люмен находится в пределах погрешности измерительных приборов, то есть соответствует заявленным параметрам.
Условия тестирования


Для полноценного сравнения источников света с разными характеристикам используем ГОСТ 41.112-2005 в котором указаны контрольные точки, по которым проводятся замеры.. Форма светового пятна у биксенона и би лед будут разные, каждый модуль будет иметь свои преимущества и недостатки.
Сравнивать по одной точке в приборе для настройки фар (реглоскопе) бессмысленно, можно только одинаковые источники. Обычно это максимум, на что способны «псевдо-специалисты», которые не знают про ГОСТы.


Описание точек:
- B50L – ослепление водителя;
- 75R – обочина через 75 метров;
- 50R – обочина через 50м;
- число в названии обозначает расстояние до неё в метрах, буква отвечает за положение.
Сравнение по ГОСТ


Для замера освещенности используем контрольные точки, которые регламентированы ГОСТом. В каждой измеряется освещенность в люксах. Для сравнения используем популярную ксеноновую линзу Hella 3R. Результаты замеров показывают, что освещенность боковой зоны 25R больше на 150% по сравнению с ксеноном. В среднем улучшение составило 13,5% в центральное рабочей зоне 50L, 50R, 75R и освевая сила света.
Замеры ближнего
| Точка | Diliht Triled, люкс | Ксенон, люкс | Разница в % |
| 25R | 49,4 | 19,8 | +150% |
| B50L | 1,4 | 0,7 | +100% |
| 50L | 43,3 | 32 | +35% |
| 50R | 55 | 46,3 | +19% |
| 75R | 53,8 | 56,7 | -5% |
| Осевая сила | 51,2 | 48,9 | +5% |
| Дальний | 61,4 | 80 | |
| Значение «Разница в %» показывает разницу относительно ксенона | |||
Режим работы дальнего света отличается от обычных ксеноновых билинз. В режиме дальнего света светодиоды ближнего света снижают яркость, чтобы избежать самоослепления водителя. Это позволяет комфортно перенести ваше внимание в дальнюю зону освещения дорожного покрытия. Все особенности распределения света вы можете увидеть на фото внизу.
Распределение света




Ксенон Hella 3R




Установка в фары


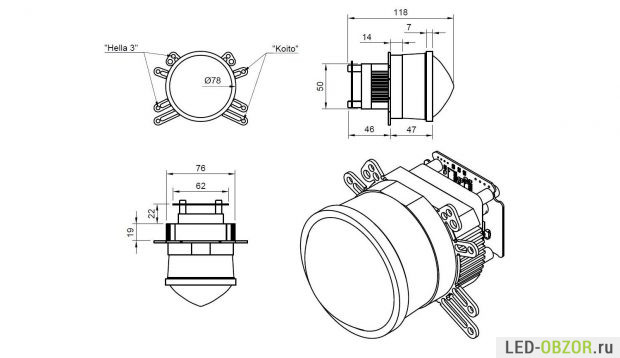
В плане установки модуль максимально универсален. Модуль легко установится на места штатных ксеноновых линз благодаря универсальной базовой рамке с отверстиями под популярные реплики Hella 3 и Koito. Это удобно, так как на рынке есть множество переходных рамок под эти модели. Общие габариты модуля вписываются в штатные адаптивные шасси. Встроенный блок питания располагается за радиатором и вентилятором, что обеспечивает доступ для обслуживания через штатные отверстия фар, например для замены вентилятора.
Для установки в фары с отражателем переходников под гайку нет, так как они закрывают доступ для обслуживания. Модуль необходимо устанавливать на шпильки. Для облегчения этого варианта установки производитель предусмотрел регулировку горизонта, что очень удобно. На Bi Led модуль устанавливаются все бленды «3» дюйма. Все точки подключения находятся внутри фары.
Масса Bi Led


Цветовая температура


Цветовая температура составляет 5040К, что соответствует нейтрально белому свету, оптимальному по эффективности освещения. У штатного галогена температура 3200К. Холодный белый начинается от 6000К.
Это один из самых «теплых» светодиодных модулей по оттенку свечения. С таким светом комфортно двигаться по мокрому дорожному покрытию.


Драйвер


Плата управления находится в задней части светодиодного модуля. Контуры импульсных преобразователей питания светодиодов оснащены экранированными индуктивностями. Для защиты от случайных механических воздействий и конденсата драйвер покрыт лаком. Внутри фары этого вполне достаточно.
Где купить?
Приобрести можно на официальном сайте https://diliht.ru
Итоги
При установке светодиодных линз Diliht Triled вы получите премиальный ближний дальний свет и подсветку поворота на вашем автомобиле. За счёт большого срока службы они будут выгодней ксенона в 5-15 раз, который надо менять каждые 2000-3000ч. Так же вы прилично сэкономите на дальнейшем обслуживании, производитель предусмотрел обслуживание диодной билинзы без разбора фары. Для замены вентилятора и блока питания достаточно снять заднюю крышку фару.