

Большая часть современных импульсных блоков питания изготавливается на микросхемах типа TL494, которая является импульсным ШИМ контроллером. Силовая часть изготавливается на мощных элементах, например транзисторах.Схема включения ТЛ494 простая, дополнительных радиодеталей требуется минимум, в datasheet подробно описано.
Варианты модификаций: TL494CN, TL494CD, TL494IN, TL494C, TL494CI.
Так же написал обзоры других популярных ИМС TL431, LM358 LM358N, LM317T.
Характеристики и функционал


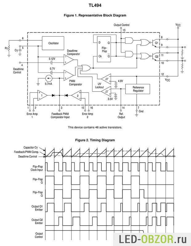
Микросхема TL494 разработана как Шим контроллер для импульсных блоков питания, с фиксированной частотой работы. За задания рабочей частоты требуется два дополнительных внешних элемента резистор и конденсатор. Микросхема имеет источник опорного напряжения на 5В, погрешность которого 5%.
| Параметр | Значение |
| Напряжение питания | До 41В |
| Напряжение усилителя по входу | +0,3В |
| Напряжение на выходе | До 41В |
| Ток коллектора | 200мА |
| Тепловая мощность | 1Вт |
| Диапазон по температуре | L = от -25° до +85 ° С = от 0° до +70° |
Область применения, указанная производителем:
- блоки питания мощностью более 90W AC-DС с PFC;
- микроволновые печи;
- повышающие преобразователи с 12В на 220В;
- источники энергоснабжения для серверов;
- инверторы для солнечных батарей;
- электрические велосипеды и мотоциклы;
- понижающие преобразователи;
- детекторы дыма;
- настольный компьютеры.






Аналоги


Самыми известными аналогами микросхемы TL494 стали отечественная KA7500B, КР1114ЕУ4 от Fairchild, Sharp IR3M02, UA494, Fujitsu MB3759. Схема включения аналогичны, распиновка может быть другой.
Новая TL594 является аналогом ТЛ494 с повышенной точность компаратора. TL598 аналог ТЛ594 с повторителем на выходе.
Типовые схемы включения для БП на TL494


Основные схемы включения TL494 собраны из даташитов различных производителей. Они могут служит основой для разработки аналогичных устройств с похожим функционалом.




Схемы блоков питания
Сложные схемы импульсных блоков питания TL494 рассматривать не буду. Они требуют множества деталей и времени, поэтому изготавливать своими руками не рационально. Проще у китайцев купить готовый аналогичный модуль за 300-500руб.




При сборке повышающих преобразователей напряжения особое внимание уделяйте охлаждению силовых транзисторов на выходе. Для 200W на выходе будет ток около 1А, относительно не много. Тестирование на стабильность работы проводить с максимально допустимой нагрузкой. Необходимую нагрузку лучше всего сформировать из ламп накаливания на 220 вольт, мощностью 20w, 40w, 60w, 100w. Не стоит перегревать транзисторы более чем на 100 градусов. Соблюдайте правила техники безопасности при работе с высоким напряжением. Семь раз померяй, один раз включи.
Повышающий преобразователь на TL494 практически не требуют настройки, повторяемость высокая. Перед сборкой проверьте номиналы резисторов и конденсаторов. Чем меньше будет отклонение, тем стабильней будет работать инвертор с 12 на 220 вольт.
Контроль температуры транзисторов лучше производить термопарой. Если радиатор маловат, то проще поставить вентилятор, чтобы не ставить новый радиатор.




Блок питания на TL494 своими руками мне приходилось изготавливать для усилителя сабвуфера в автомобиле. В то время автомобильные инверторы с 12В на 220В не продавались, и у китайцев не было Aliexpress. В качестве усилителя УНЧ применил микросхему серии TDA на 80W.


За последние 5 лет увеличился интерес с технике с электрическим приводом. Этому поспособствовали китайцы, начавшие массовое производство электрических велосипедов, современных колесо-мотор с высоким КПД. Лучшей реализацией считаю двух колёсные и одноколесные гироскутеры.В 2015 году китайская компания Ninebot купила американской Segway и начал производства 50 видов электрических скутеров типа Сегвея.
Для управления мощным низковольтным двигателем требуется хороший контроллер управления.


Переделка ATX БП в лабораторный
У каждого есть радиолюбителя есть мощный блок питания ATX от компьютера, который выдаёт 5В и 12В. Его мощность от 200вт до 500вт. Зная параметры управляющего контроллера, можно изменить параметры ATX источника. Например повысить напряжение с 12 до 30В. Популярны 2 способа, один от итальянских радиолюбителей.
Рассмотрим итальянский способ, который максимально простой и не требует перемотки трансформаторов. Выход ATX полностью убирается и дорабатывается согласно схеме. Огромное количество радиолюбителей повторили эту схему благодаря своей простоте. Напряжение на выходе от 1В до 30В, сила тока до 10А.


Datasheet
Микросхема настолько популярна, что её выпускает несколько производителей, навскидку я нашел 5 разных даташитов, от Motorola, Texas Instruments и других менее известных. Наиболее полные datasheet TL494 у Моторолы, который и опубликую.
Все даташиты, можно каждый скачать:
- Motorola TL494 PDF datasheet;
- Texas Instruments TL494 PDF datasheet — самый лучший даташит;
- Contek TL494 PDF datasheet;
- Fairchild PDF TL494 datasheet;
- Texas TL494CN PDF datasheet.










Графики электрических характеристик






Функционал микросхемы











